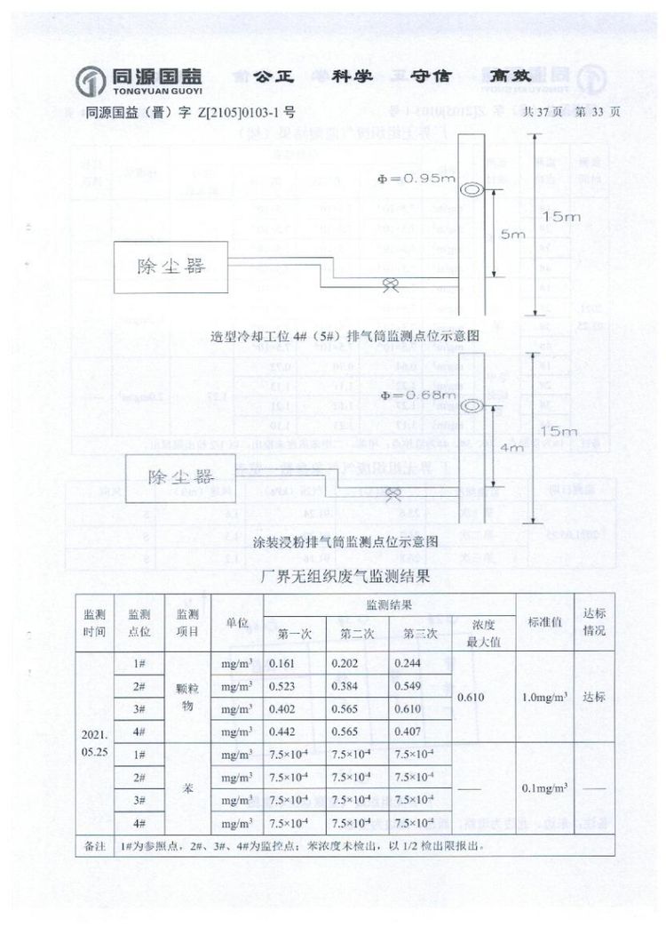
2021年2季度在線比對監測報告
更新時間:2021-07-19 瀏覽:4900次








































免責聲明:本站部分圖片和文字來源于網絡收集整理,僅供學習交流,版權歸原作者所有,并不代表我站觀點。本站將不承擔任何法律責任,如果有侵犯到您的權利,請及時聯系我們刪除。
上一篇:2021年2季度在線比對監測報告
下一篇:2021年2季度在線比對監測報告
相關推薦
-
【民企風采】泫氏實業:讓建筑排水更順暢 讓城市生活更美好
泫氏實業集團有限公司是我市一家老牌鑄造企業,**生產鑄鐵排水管。公司成立于1994年,占地252畝,擁有國內***的自動化鑄管管件
9-12
2023 -
山西泫氏集團榮獲企業標準“領跑者”稱號
近日,2022年全國企業標準“領跑者”名單發布,山西泫氏實業集團有限公司企業標準Q/SXS J0203-2023《建筑排水柔性接口
6-07
2023 -
公司入選“創建世界領軍示范企業”
日前,國務院國資委啟動建設世界****領軍示范企業行動,系統開展綜合評估,從全國申報企業中優選200家**領軍示范企業開展創建工作
4-19
2023 -
2021年度山西泫氏實業環境應急演練
8-20
2021 -
泫氏實業應急物資
8-20
2021 -
2021年2季度在線比對監測報告
7-19
2021
泫氏在線咨詢